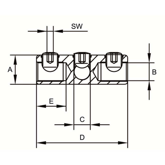
Manchons à vis en aluminium avec trou de dérivation

Manchon à vis en aluminium avec trou de dérivation et broche filetée, conçu pour les connexions basse tension et les dérivations de câbles en aluminium ou en cuivre.

Ce manchon à vis en aluminium avec trou de dérivation est conçu pour garantir des connexions électriques fiables dans les installations basse tension. Le manchon est équipé d’une broche filetée et d’un corps avec cloison interne, assurant une connexion stable et sécurisée entre les conducteurs.

La version nue, sans étamage, convient parfaitement aux applications nécessitant une liaison directe entre câbles en aluminium ou en cuivre. Sa construction robuste permet une utilisation dans les dérivations et points de distribution des réseaux électriques.

Explication sections de câble :
R = rond, S = sectoral, E = solide, M = multibrin, (r) = arrondi, (90°) = câble à 4 cores

Matière
Aluminium
Bouchon d'huile
Étamé
-
En cliquant sur « Tout accepter », vous nous autorisez à collecter des informations vous concernant à différentes fins, notamment : Statistiques et marketing