Manchons à vis en aluminium sans paroi

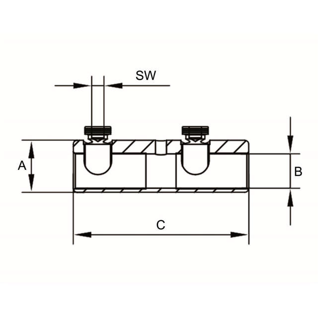
Manchons à vis en aluminium avec vis de cisaillement détachable et corps de serrage sans paroi interne, étamé pour une conductivité optimale.

Ces manchons à vis en aluminium sans paroi interne sont conçus pour garantir des connexions électriques fiables dans les installations basse tension. Le contact est une vis de cisaillement détachable et le corps de serrage est sans paroi interne, assurant une connexion stable et sécurisée entre les conducteurs.

Le corps de serrage étamé offre une protection contre la corrosion et garantit une connexion durable et fiable. La construction robuste rend ces manchons adaptés aux dérivations et points de distribution des réseaux électriques.

Explication sections de câble :
R = rond, S = sectoriel, E = solide, M = multibrin, (r) = arrondi, (90°) = câble à 4 conducteurs

Matière
Aluminium
Bouchon d'huile
-
Étamé
En cliquant sur « Tout accepter », vous nous autorisez à collecter des informations vous concernant à différentes fins, notamment : Statistiques et marketing