Manchons à vis en cuivre sans paroi

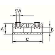
Manchons à vis en cuivre avec broche filetée et corps de serrage sans paroi interne, conçu pour les connexions basse tension de câbles en cuivre.

Ces manchons à vis en cuivre sans paroi interne sont conçus pour garantir des connexions électriques fiables dans les installations basse tension. Le contact est doté d’une broche filetée et le corps de serrage est sans paroi interne, assurant une connexion stable et sécurisée entre les conducteurs.

Le corps de serrage est nu, ce qui permet une liaison directe sur des câbles en cuivre. Sa construction robuste rend ces manchons adaptés aux dérivations et points de distribution des réseaux électriques.

Explication sections de câble :
R = rond, S = sectoriel, E = solide, M = multibrin, (r) = arrondi, (90°) = câble à 4 conducteurs

Matière
Cuivre
Bouchon d'huile
-
Étamé
-
En cliquant sur « Tout accepter », vous nous autorisez à collecter des informations vous concernant à différentes fins, notamment : Statistiques et marketing