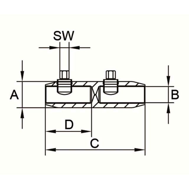
Manchons à vis en aluminium, concentrique et vis de contact intelligente

Manchons à vis en aluminium avec guide de câble central et vis de rupture non amovible. Le corps de serrage étamé, rempli de graisse et doté d’une cloison interne, assure une connexion durable, fiable et résistante à la corrosion.

Ces manchons à vis en aluminium sont conçus pour des connexions sûres et efficaces dans les installations basse tension. Le guide de câble central permet un positionnement précis du conducteur pour une fixation stable et robuste.

La vis de contact intelligente, non amovible et à tête de rupture, garantit le couple de serrage idéal sans outil spécial. La cloison interne assure une isolation électrique entre les conducteurs, tandis que le corps de serrage étamé et rempli de graisse protège contre l’humidité, la corrosion et l’oxydation, assurant ainsi une longue durée de vie à la connexion.

Ces manchons conviennent aux conducteurs en aluminium et en cuivre et peuvent être utilisés dans diverses applications industrielles et électriques.

Explication sections de câble :
R = rond, S = sectoral, E = solide, M = multibrin, (r) = arrondi, (90°) = câble à 4 cores

Matière
Aluminium
Bouchon d'huile
Étamé
En cliquant sur « Tout accepter », vous nous autorisez à collecter des informations vous concernant à différentes fins, notamment : Statistiques et marketing