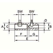
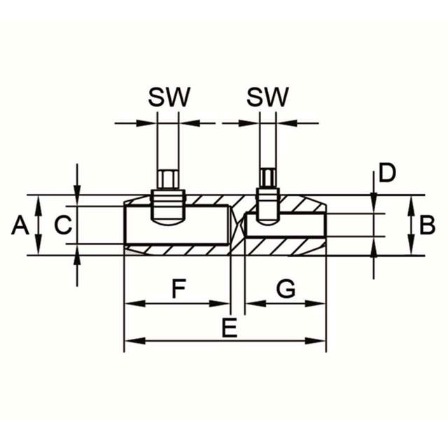
Ces manchons à vis en aluminium (manchons réducteurs) avec guide de câble centrique sont conçus pour relier des conducteurs de sections différentes dans des installations basse tension. Les vis à rupture non amovibles garantissent un serrage précis sans outil spécifique. Le corps de serrage étamé et rempli de graisse protège contre l’oxydation et assure une excellente conductivité. La cloison interne garantit une isolation électrique sûre. Convient aux câbles en aluminium et en cuivre.
Explication sections de câble :
R = rond, S = sectoral, E = solide, M = multibrin, (r) = arrondi, (90°) = câble à 4 cores
- Matière
- Aluminium
- Bouchon d'huile
- √
- Étamé
- -