Manchons à vis en cuivre

Manchons à vis en cuivre pour connexions fiables en basse tension, avec broche filetée et corps étamé sans séparation.

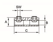
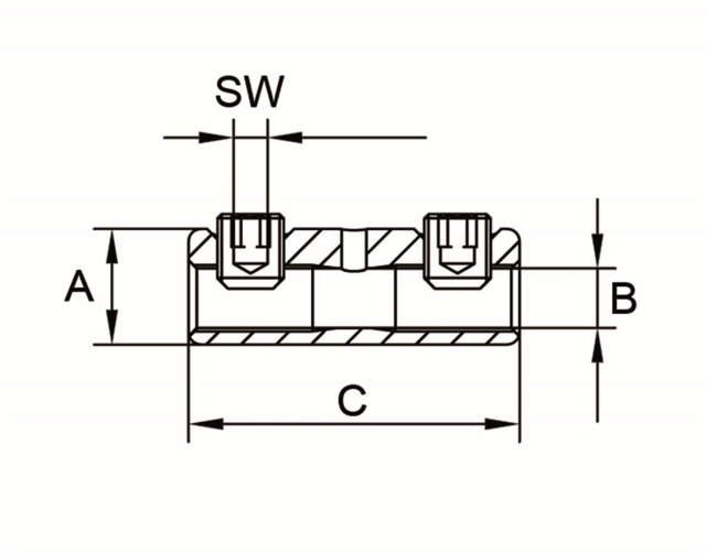
Ces manchons à vis en cuivre sont conçus pour la connexion de conducteurs dans les réseaux basse tension. Ils disposent d’une broche filetée et d’un corps de serrage étamé sans cloison, garantissant une liaison efficace et durable.
Convient pour conducteurs de 6 à 25 mm² RM et 35 mm² RE.

Explication sections de câble :
R = rond, S = sectoral, E = solide, M = multibrin, (r) = arrondi, (90°) = câble à 4 cores

Matière
Cu
Bouchon d'huile
-
Étamé
En cliquant sur « Tout accepter », vous nous autorisez à collecter des informations vous concernant à différentes fins, notamment : Statistiques et marketing