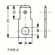
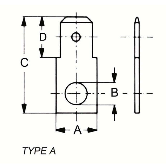
Clips, version droit

Clips droites non isolées conformes aux normes DIN, pour des connexions serties fiables

2140: Dimension nominale selon DIN - A 6,3 - 0,8

  • Selon DIN 46342, partie 1 et versions similaires
  • Dimensions côté fiche selon DIN 46244

Matériau :

  • Laiton (CuZn)

Finition :

  • Étain pour protection contre la corrosion

Matière
Laiton
Étamé
Oui
En cliquant sur « Tout accepter », vous nous autorisez à collecter des informations vous concernant à différentes fins, notamment : Statistiques et marketing