Manchons NF, Cu

Convient pour :

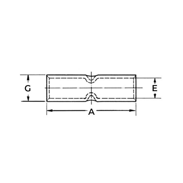
Raccordement de câbles en cuivre BT classe 2 ou 5

  • L’étamage assure un contact parfait et une protection contre la corrosion
  • Butée centrale permettant le bon positionnement du câble

Matériau :

  • Tube en cuivre électrolytique EN 13600

Surface :

  • Brillante, étamée par électrolyse

Matière
Cu/étamé
Étamé
Oui
En cliquant sur « Tout accepter », vous nous autorisez à collecter des informations vous concernant à différentes fins, notamment : Statistiques et marketing