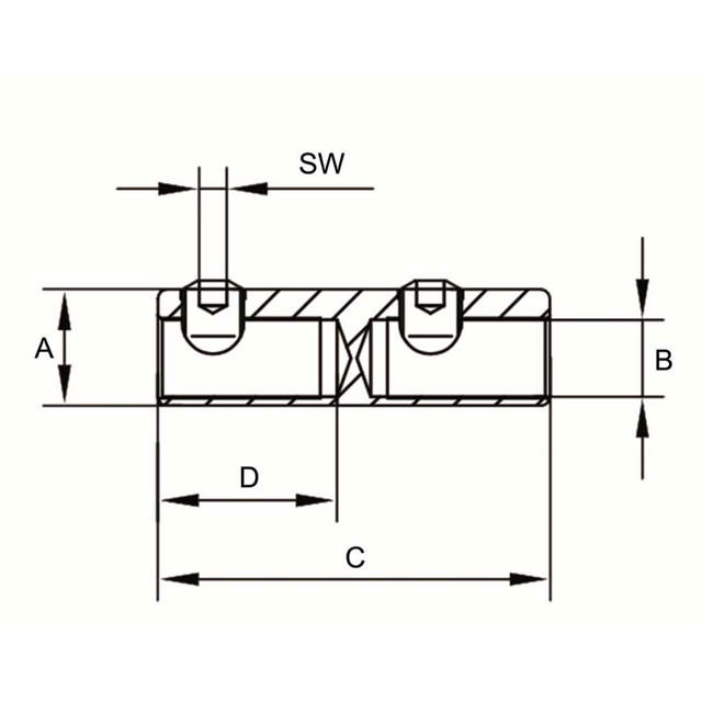
Manchons à vis en aluminium avec paroi

Manchons à vis en aluminium avec broche filetée et corps de serrage avec paroi interne, étamé pour une conductivité optimale.

Ces manchons à vis en aluminium avec paroi interne sont conçus pour garantir des connexions électriques fiables dans les installations basse tension. Le contact est doté d’une broche filetée et le corps de serrage comprend une paroi interne, assurant une connexion stable et sécurisée entre les conducteurs.

Le corps de serrage étamé offre une protection contre la corrosion et garantit une connexion durable et fiable. La construction robuste rend ces manchons adaptés aux dérivations et points de distribution des réseaux électriques.

Explication sections de câble :
R = rond, S = sectoriel, E = solide, M = multibrin, (r) = arrondi, (90°) = câble à 4 conducteurs

Matière
Aluminium
Bouchon d'huile
Étamé
En cliquant sur « Tout accepter », vous nous autorisez à collecter des informations vous concernant à différentes fins, notamment : Statistiques et marketing